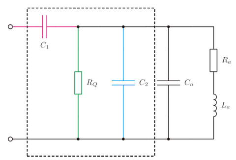
The Bode 100 is used for the determination of equivalent circuit parameters. The Smith-Chart is used to design a matching network.
The coil is designed for use as a 13.56 MHz RFID reader antenna. To connect the antenna to the RFID system, the antenna impedance is matched to 50 Ω..
If you want to know more about the measurement and the matching process please download the following document:


